Thông số kỹ thuật
| Thông số | Giá trị |
|---|---|
| Model | K3G630-PC04-L1 |
| Loại quạt | Quạt ly tâm EC |
| Động cơ | M3G150-NA |
| Pha | 3~ |
| Điện áp danh định | 400 VAC |
| Dải điện áp | 380 – 480 VAC |
| Tần số | 50/60 Hz |
| Tốc độ quay | 1610 vòng/phút |
| Công suất tiêu thụ | 5250 W |
| Dòng điện | 8.1 A |
| Nhiệt độ môi trường | -40°C đến 40°C |
| Trạng thái dữ liệu | Preliminary |
| Phương pháp đo | ml – Tải tối đa |
Ứng dụng tiêu biểu
- AHU công suất rất lớn
- Hệ HVAC trung tâm cho nhà máy, trung tâm thương mại
- Thông gió công nghiệp lưu lượng cao
- Kho lạnh, hệ thống làm lạnh quy mô lớn
- Hệ thống yêu cầu điều khiển áp suất/lưu lượng tự động

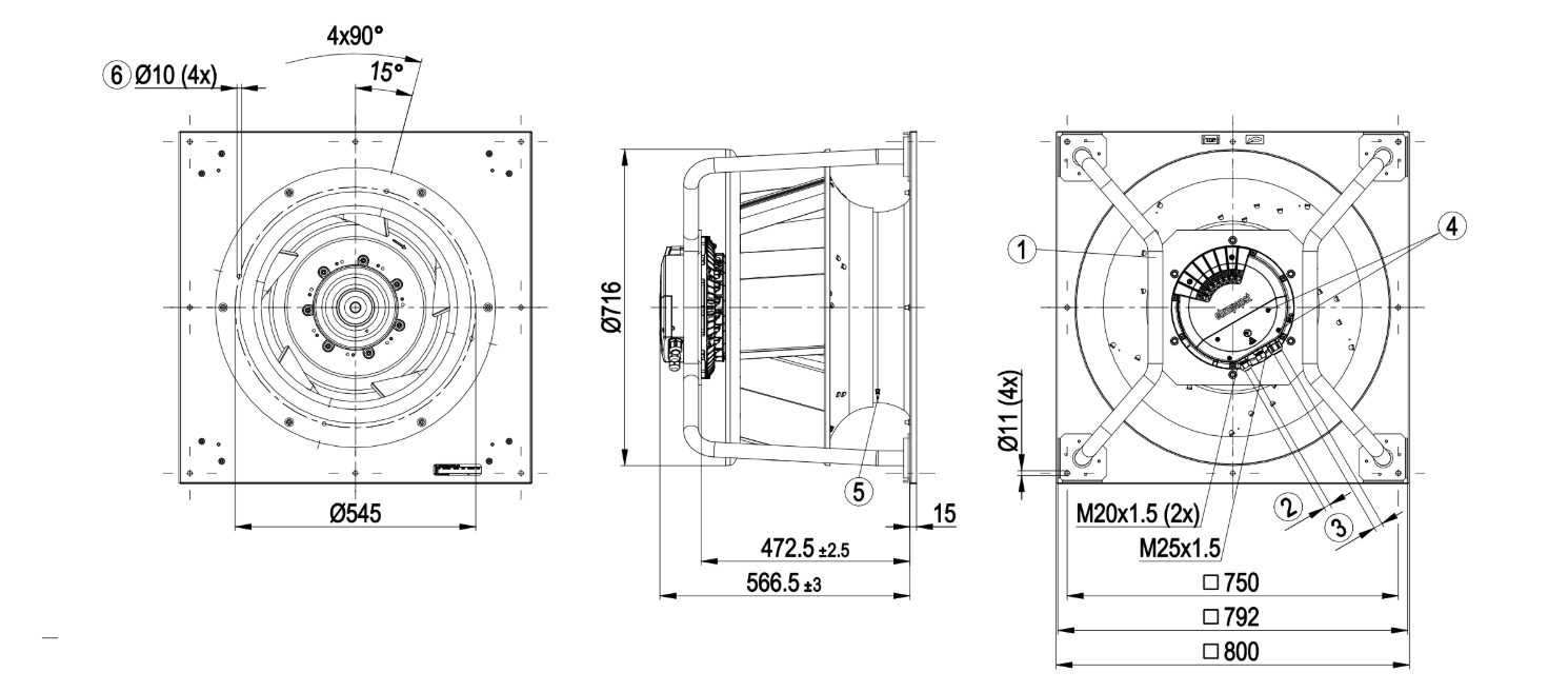
BẢNG VẼ KỸ THUẬT QUẠT LY TÂM EC K3G630-PC04-L1 (EBMPAPST)
Datasheet Quạt Ly Tâm EC K3G630-PC04-L1

Đánh giá
Chưa có đánh giá nào.