Thông số kỹ thuật
| Loại (Type) | W1G200-EC91-46 | ||
|---|---|---|---|
| Động cơ (Motor) | M1G055-BD | ||
| Pha (Phase) | 1~ | 1~ | |
| Điện áp danh định (Nominal voltage) | VAC | 230 | 230 |
| Tần số (Frequency) | Hz | 50/60 | 50/60 |
| Loại định nghĩa dữ liệu (Type of data definition) | – | – | ml |
| Tốc độ (Speed) | min⁻¹ | 1500 | 2100 |
| Công suất tiêu thụ (Power input) | W | – | 31 |
| Dòng điện tiêu thụ (Current draw) | A | 0.24 | |
| Áp suất ngược tối đa (Max. back pressure) | Pa | 55 | |
| Nhiệt độ môi trường tối thiểu (Min. ambient temperature) | °C | -30 | -30 |
| Nhiệt độ môi trường tối đa (Max. ambient temperature) | °C | 50 | 50 |
ml = tải tối đa; me = hiệu suất tối đa; fa = chạy không tải; cs = thông số khách hàng; cu = đơn vị khách hàng Bảo lưu quyền thay đổi
Ứng dụng tiêu biểu
- Hệ thống làm lạnh, tủ đông, tủ mát thương mại.
- Thông gió cho tủ điện, tủ rack máy chủ (IT).
- Hệ thống điều hòa không khí (HVAC) quy mô nhỏ.
- Hệ thống sưởi, trao đổi nhiệt bằng không khí.

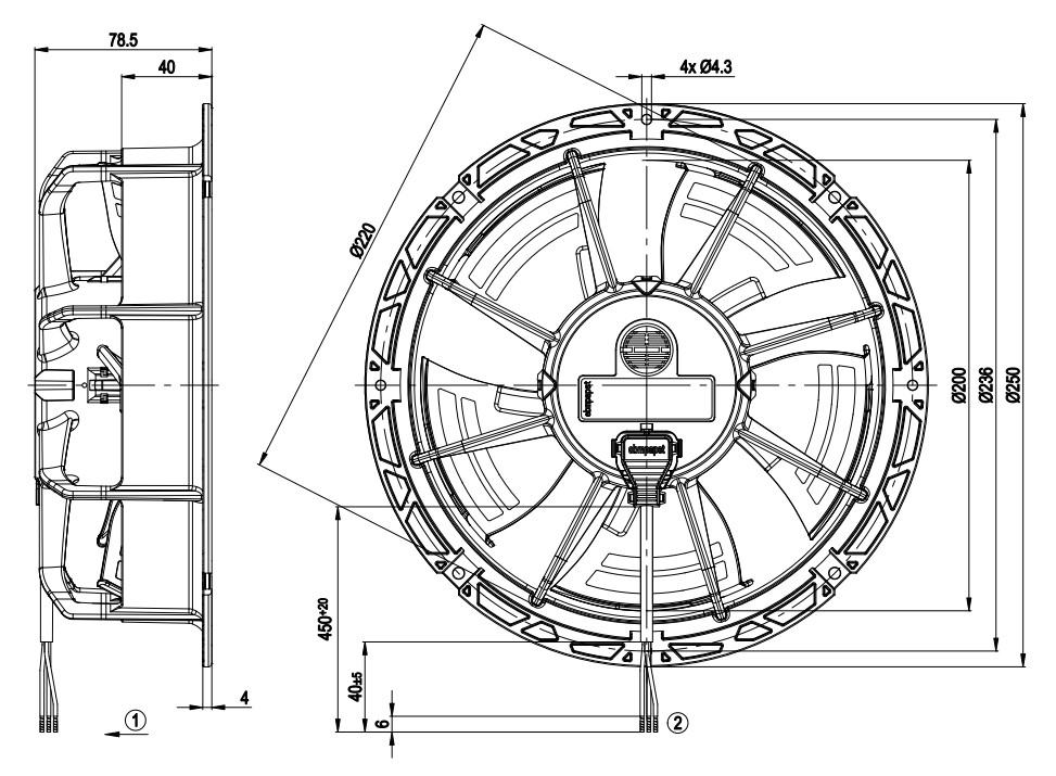
BẢNG VẼ KỸ THUẬT W1G200-EC91-46
QUẠT COMPACT W1G200-EC91-46 (EBMPAPST)
DATA SHEET QUẠT COMPACT EBMPAPST W1G200-EC91-46







Đánh giá
Chưa có đánh giá nào.