Trong thế giới linh kiện công nghiệp, Ebmpapst luôn là cái tên bảo chứng cho chất lượng và độ bền. Hôm nay, hãy cùng tìm hiểu về mẫu Quạt ly tâm AC R2E190-AO26-05 – một “trợ thủ” đắc lực trong việc lưu thông không khí và làm mát các hệ thống máy móc phức tạp.
1. Thiết Kế Tối Ưu – Hiệu Suất Vượt Trội
Quạt R2E190-AO26-05 sở hữu thiết kế cánh cong ngược (backward-curved), giúp tối ưu hóa luồng khí và giảm thiểu tiếng ồn đáng kể khi vận hành. Với kích thước nhỏ gọn 190 mm và trọng lượng chỉ 1.2 kg, sản phẩm cực kỳ dễ dàng lắp đặt trong các không gian hạn chế của tủ điện hay thiết bị làm lạnh.
- Chất liệu cao cấp: Cánh quạt làm từ nhựa PA 6 siêu bền, gia cường bằng sợi thủy tinh, đảm bảo chịu lực tốt và hoạt động ổn định trong thời gian dài.
- Độ bền bỉ: Động cơ sử dụng vòng bi (ball bearing) giúp vận hành êm ái, giảm ma sát và kéo dài tuổi thọ sản phẩm.
- Hiệu suất vượt trội: Lưu lượng gió mạnh mẽ lên đến 620 m3/h với tốc độ quay tối đa 2700 vòng/phút.
- Độ bền công nghiệp: Cánh quạt chế tạo từ nhựa PA 6 gia cường sợi thủy tinh, chịu được môi trường khắc nghiệt và hoạt động liên tục bền bỉ.
- Thiết kế thông minh: Cánh cong ngược giúp tối ưu luồng khí, vận hành êm ái và tiết kiệm điện năng (chỉ từ 58 W).
- An toàn tin cậy: Tích hợp sẵn rơ-le bảo vệ quá nhiệt (TOP) và đạt chuẩn kháng bụi, kháng nước IP44.
- Lắp đặt linh hoạt: Kích thước 190 mm nhỏ gọn, trọng lượng nhẹ 1.2 kg, dễ dàng tích hợp vào nhiều hệ thống máy móc khác nhau
2. Thông Số Kỹ Thuật Ấn Tượng
Sản phẩm được thiết kế để thích nghi hoàn hảo với nhiều điều kiện lưới điện khác nhau, mang lại hiệu quả kinh tế cao:

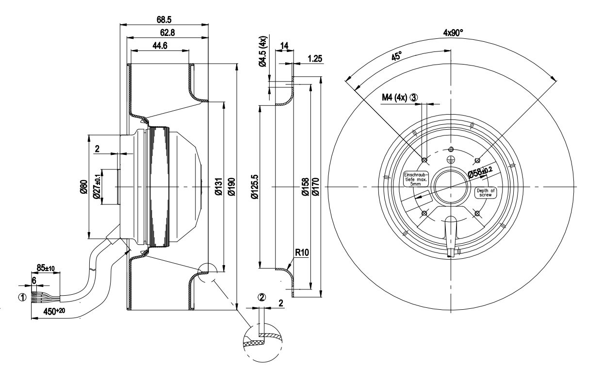
BẢNG VẼ KỸ THUẬT QUẠT LY TÂM R2E190-AO26-05
3. Những Điểm “Vàng” Khiến Bạn Nên Chọn R2E190-AO26-05
- Bảo vệ an toàn tuyệt đối: Quạt tích hợp bộ bảo vệ quá nhiệt nhiệt độ (Thermal Overload Protector – TOP), tự động ngắt khi xảy ra sự cố để bảo vệ động cơ.
- Tiêu chuẩn quốc tế: Đạt các chứng nhận uy tín như CE, CCC, EAC, đảm bảo an toàn và đủ điều kiện xuất khẩu sang các thị trường khó tính.
- Khả năng chống chịu: Chỉ số bảo vệ IP44 giúp quạt kháng bụi và nước bắn tung tóe, phù hợp cho môi trường công nghiệp đa dạng.
- Nhiệt độ vận hành linh hoạt: Quạt có thể hoạt động ổn định trong môi trường từ -25°C đến +55°C.
4. Ứng Dụng Thực Tế
Nhờ hiệu suất mạnh mẽ và thiết kế bền bỉ, model R2E190-AO26-05 thường được tin dùng trong:
- Hệ thống thông gió, điều hòa không khí (HVAC).
- Làm mát tủ điện công nghiệp, server máy tính.
- Thiết bị hút mùi, lọc khí trong các dây chuyền sản xuất.
Lời kết: Nếu bạn đang tìm kiếm một giải pháp làm mát vừa hiệu quả, vừa tiết kiệm điện năng lại đến từ thương hiệu hàng đầu Đức, thì Quạt Ly Tâm R2E190-AO26-05 chính là lựa chọn không thể bỏ qua.
DATASHEET QUẠT LY TÂM R2E190-AO26-05 (Ebmpapst)
📞 Liên hệ ngay hôm nay để nhận báo giá ưu đãi và tư vấn giải pháp tối ưu cho hệ thống của bạn!






Đánh giá
Chưa có đánh giá nào.